<出力段>
メインの出力段ですが、たまたま手元にDEAL社製のメタルクラッドが2本あったことと、最近、オリジナルに近い形で再販されたことなどから、KT66を使用することにしました。この球は以前から使ってみたいと思っていた球であり、シングルアンプであれば、GECのオリジナルもなんとか手に入りそうです。メタルクラッドが既にあることから、今回も他のアンプ同様、自己バイアス方式としました。

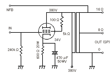
KT66の動作例とEb−Ip特性を以下に掲載します。出来ればこのEb−Ip特性から動作点を求め、負荷線を引いて設計したいところですが、私の手持ちのEb−Ip特性図(おそらくはメーカー公表の資料)では、プレート最大定格電圧の1/2の垂線と、Eg=0V時のグリッドバイアス曲線との交点がグラフをはみ出してしまい、正確な線をひくことが出来ません。更に手持ちの資料にはA1級シングルのときの動作例が掲載してあったので、今回は、この動作例を基に設計しました。ただし、球の寿命を考えて、Ebは動作例の400Vより若干低めの380Vとしています。KT66に限らず、多くのメジャーなオーディオ用出力管の規格表には、このような動作例が公表されているので便利です。
・KT66−規格表1
・KT66−規格表2
・KT66−特性図
規格表2より、プレート電圧:400V、カソード電圧(グリッドバイアス):−38Vとなり、この値でのプレート電流は、約63mAなのでカソード抵抗は約600Ωとなります。最適負荷抵抗は、この規格表では4.5kΩとなっていますが、今回は、出力トランスに平田電機(タンゴトランス)のXE20Sを使用するので、負荷抵抗は出力トランスの仕様により5kΩとなります。また、今回は高価な球の寿命を考慮し、プレート電圧を380Vとしたので、実際にはその分IPも減り、カソード電圧も若干低くなっています。
|
|