<ドライバ段>
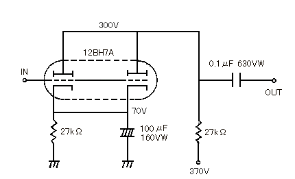
ドライバ段は、十分なプレート電流を流して出力インピーダンスを低く押さえ、電力増幅的な働きをさせることで終段を強力にスイングすることとし、12BH7Aをパラ接続で使用します。最近では、12BH7Aのひずみ率を気にする人もいますが、12AU7などでは若干役不足の感があり、他に12BH7Aの代わりとして使えそうな(手軽な)球がないというのが現状です。12BH7Aは、もともとはテレビの垂直同期信号の発振用の球なので、できればこの球よりは純粋なオーディオ用の球を使用したいところです。初段のEF86とは直結となっているため、グリッド電圧は設計上55Vとします。このためカソード電圧は70Vとし、それに伴いプレート電圧は300Vとします。この辺りが直結アンプの設計の難しいところであり、初段とドライバ段の球の組み合わせを制限しているところでもありますが、音質を大きく左右する結合コンデンサが不要となることのメリットを考えて直結としました。

12BH7Aの電源電圧(Eb)を370V、負荷抵抗(RL)を27kΩと仮定し12BH7Aの動作特性図に負荷線を引きます。前段直結となるため、Eg=−15Vと仮定して、カソードバイアスは70V、故にEp=300V、更にドライバ段は、12BH7Aをパラレルで動作させるため、1ユニット当たりのプレート電流(IP)は半分です。(IP=0mA/Ep=300V,IP=5.5mA/Ep=0V)この負荷線上から、Eg=−15Vとの交点を求めると、IP=1.3mA弱、Ep=約230Vという値が出てきます。前出のように12BH7Aをパラレルで動作させているので、IPの合計は約2.6mAです。また、この動作条件での12BH7Aの利得は、約15倍となります。12BH7Aも初段のEF86と同様、かなり軽い負荷で動作しています。これぐらいの低負荷であれば12BH7Aとしては余裕の動作です。
・12BH7A−規格表
・12BH7A−特性図
|
|